-
2018年1月18日小電機在運行中如何處理抽氣問題。
由于小電機的轉子不斷翻轉轉,被吸氣體從進氣口吸入到轉子與泵殼之間的空間內,再經排氣口排出。如果發現使用中的小電機出現抽氣這種現象,那就趕緊動手及時解決吧,小的毛病我們及時解決了,就會避免大事故的發生。
-
2018年1月18日電壓負載對電機運動的檢測。
驅動電壓的頻率為100Hz。外部載荷為1N;結構和空氣阻尼折算為10Ns/m。開始一段時間內輸出軸被夾持住,這是由于環球電機有一個起振的過程,在該過程中,驅動力小于負載和摩擦力之和,但隨著能量的蓄積,振子的速度和位移的振幅逐漸增大,當驅動力大于負載和摩擦力之和后,開關放開,輸出軸開始運動。
-
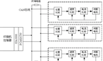
2018年1月17日壓力電機變送接線示意。
壓力電機?電壓傳感器主要用來測量地鐵列車環球電機的電壓,在考慮了量程大小,測試精度和測量方法后,最終選擇了應用霍爾原理中的閉環補償原理的LEMLV100-2000電壓傳感器。
-
2018年1月5日微型電機聯軸器的作用。
聯軸器是將兩軸軸向聯接起來并傳遞扭矩及運動的部件并具有一定的補償兩軸偏移的能力,為了減少機械傳動系統的振動、降低沖擊尖峰載荷,聯軸器還應具有一定的緩沖減震性能。聯軸器有時也兼有過載安全保護作用。
-
2017年12月29日如何實現多伺服電機同步控制?
在印刷機械行業中,多電機的同步控制是一個非常重要的問題。本文針對傳統的機械長軸印刷機同步控制系統,提出了以控制器為核心的現場總線控制系統,以CAN現場總線實現在控制器和伺服之間的通信。此方案不僅克服了傳統機械長軸控制方案的各種機械元件帶來的缺點,而且還具有同步性能好、各伺服單元不互相干擾、控制精度高、維護方便等優點。
-
2017年12月29日17張經典動態圖為您解析電動機運行原理。
電動機的工作方式不外乎與磁鐵和磁性相關:電動機使用磁鐵產生運動。如果您曾經玩過磁鐵的話,就知道所有磁鐵都具有以下基本法則:同極相斥,異極相吸。因此,如果有兩根磁鐵,并且每根的兩端分別標有“北”和“南”,則一根磁鐵的北極將會吸住另一根磁鐵的南極。
-
2017年12月28日無刷電機與步進電機的差異。
直流無刷電機比步進電機的轉速高;步進電機由于驅動方式的原因,一定時間內給與的脈沖數量有限,所以步進電機一般的工作轉速大多都在500轉/分鐘以下,超過500轉/分鐘的話步進電機扭矩損失成直線下降。而無刷電機由數字信號通過霍爾傳感器進行換向工作,沒有碳刷的限制,轉速可以做到很高的轉速,3000-8000r/min。
-
2017年12月25日直流電機調速系統的技術原理。
當指令信號UI=0時,輸出信號US為正負脈沖寬度相等的矩形脈沖,首先由單片機發出電機邏輯控制信號,主要包括電機運轉方向信號Dir,電機調速信號PWM及電機制動信號Brake,然后由TL494進行脈寬調制,其輸出信號驅動H橋功率電路來驅動直流電機。
西安西瑪電機在食品級輸送機的創新與探索
淺談西瑪電機近年的變革之路
深入解析西安泰富西瑪電機的卓越優勢
西安西瑪YE5高效電機深得用戶信賴和認可!
電控學院與西安泰富西瑪電機有限公司舉行產學研
西安西瑪電機與西北工業大學開展“雙進”活動,
西瑪YR355M3-8 YRW355M3-8
YKK系列高壓三相異步電機西安泰富西瑪YKK系列(H355-1000)高壓三相異步電機可作驅動
Y2系列緊湊型高壓異步電機西安泰富西瑪?Y2系列(H355-560)6KV緊湊型高壓異步電機可
YE3系列高效節能電機西安泰富西瑪電機生產的YE3系列高效節能電機達到了國標二級能效標準,
Z4系列直流電機西安泰富西瑪Z4系列直流電動機比Z2、Z3系列具有更大的優越性,它不
Z2系列小型直流電機西安泰富西瑪Z2系列電機為一般工業用小型直流電機,其電動機適用于恒功
ZTP型鐵路機車動車用直流輔助西安泰富西瑪ZTP系列西瑪電機應能滿足鐵路機車動車用直流輔助電機通用



西安西瑪電機緊跟電機行業的發展趨勢,了解電機市場動態,制定出西瑪電機的發展規劃,穩步前行。
隨著國家節能減排的積極推行,新能源汽車產業快速增長及高效節能電機補貼政策的逐步落實,高效節能電機業將迎來爆發式的增長。
西瑪電機售后維修業務有:軸料加工件、鋼板切割、焊接件、高壓機殼、冷卻器、上下罩、高、低壓交直流電機;國內、外電機的修理、維護和試驗。
質量為本,用戶至上”是我公司一貫宗旨。“誠心、貼心、傾心、西瑪永遠用心”的“三心”服務理念。
西安泰富西瑪電機(西安西瑪電機集團股份有限公司)是國內九大的電機供應商之一,產品包括各種高低壓、交直流、高壓同步電機等。













