兩種判定異步電動機繞組收尾端的方法。
內容簡介:按“用交流電源和萬用表判別異步電動機繞組的首尾端”方法判斷出同一相繞組的兩個線頭。將萬用表撥到最小的直流毫安檔,并與另一繞組相接。在接通開關的瞬間,若萬用表的指針正轉(即向右偏轉),則表明與萬用表的“+”極相接的一端為此相繞組的尾端,如圖a所示;若萬用表的指針反轉(即向左偏轉),則表明與萬 用表“+”極相接的一端為此相繞組的首端,如圖b所示。
一、用交流電源和萬用表判斷繞組的首尾端
(1)用萬用表判斷同一相繞組的兩個線頭。用萬用表的電阻檔接6個線頭中的任意兩個,若阻值很大,則不是同一相繞組的兩端;此時萬用表的紅表筆(或黑表筆)不動,另一支表筆依次接其他4個線頭,若阻值很小,則表明此時兩支表筆接的兩個線頭為同 一相繞組的兩端。
同理,可測出另外兩相繞組各自的線頭。
可以把第一個繞組的兩端編號為1、4,第2個繞組的兩端編號為2、5,第三個繞組的兩端編號為3、6。
(2)將第一個繞組的兩端(1、4 )接萬用表的交流電壓檔,將 另兩個繞組的2、3端相接,即串聯后接220V交流電,如圖所示。指定2為首端,若讀數為0V或幾伏,如圖a所示,則表明 串聯的兩個繞組是首首相接,即3為首端;若萬用表的讀數較大, 如圖b所示,則為首尾相接,那么3為尾端。
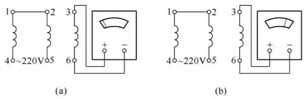
(2 )如圖所示,將一相繞組的兩端經過一個開關與兩節干電池相接,并指定與電池正極相接的一端為繞組的首端(也可 指定為尾端,首尾是相對的,一旦指定一端為首端,則另一端就是尾端)。
(3)將萬用表撥到最小的直流毫安檔,并與另一繞組相接。
(4)在接通開關的瞬間,若萬用表的指針正轉(即向右偏轉),則表明與萬用表的“+”極相接的一端為此相繞組的尾端,如圖a所示;若萬用表的指針反轉(即向左偏轉),則表明與萬 用表“+”極相接的一端為此相繞組的首端,如圖b所示。
(5)同樣的方法可以測出第三個繞組的首尾端。
轉載請說明來自西安泰富西瑪電機(西安西瑪電機集團股份有限公司)官方網站:http://www.ynxhgl.com/zixun/weixiubaoyang114.html
(1)用萬用表判斷同一相繞組的兩個線頭。用萬用表的電阻檔接6個線頭中的任意兩個,若阻值很大,則不是同一相繞組的兩端;此時萬用表的紅表筆(或黑表筆)不動,另一支表筆依次接其他4個線頭,若阻值很小,則表明此時兩支表筆接的兩個線頭為同 一相繞組的兩端。
同理,可測出另外兩相繞組各自的線頭。
可以把第一個繞組的兩端編號為1、4,第2個繞組的兩端編號為2、5,第三個繞組的兩端編號為3、6。
(2)將第一個繞組的兩端(1、4 )接萬用表的交流電壓檔,將 另兩個繞組的2、3端相接,即串聯后接220V交流電,如圖所示。指定2為首端,若讀數為0V或幾伏,如圖a所示,則表明 串聯的兩個繞組是首首相接,即3為首端;若萬用表的讀數較大, 如圖b所示,則為首尾相接,那么3為尾端。
用交流電源和萬用表判斷繞組的首位端(一)
(a)讀數為0V或幾伏;(b)讀數較大
(3)同理,將3、6端接萬用表的交流電壓檔,將1、2相接即將 第1、第2個繞組串聯后接220V交流電,若讀數為0V或幾伏,如圖a所示,則表明1為首端;若讀數較大,如圖b所示,則表明1為尾端。
用交流電源和萬用表判斷繞組的首位端(二)
(a)讀數為0V或幾伏;(b)讀數較大
二、用萬用表和直流電源判斷繞組的首尾端
(1)按“用交流電源和萬用表判別異步電動機繞組的首尾端”方法判斷出同一相繞組的兩個線頭。(2 )如圖所示,將一相繞組的兩端經過一個開關與兩節干電池相接,并指定與電池正極相接的一端為繞組的首端(也可 指定為尾端,首尾是相對的,一旦指定一端為首端,則另一端就是尾端)。
(3)將萬用表撥到最小的直流毫安檔,并與另一繞組相接。
(4)在接通開關的瞬間,若萬用表的指針正轉(即向右偏轉),則表明與萬用表的“+”極相接的一端為此相繞組的尾端,如圖a所示;若萬用表的指針反轉(即向左偏轉),則表明與萬 用表“+”極相接的一端為此相繞組的首端,如圖b所示。
(5)同樣的方法可以測出第三個繞組的首尾端。
轉載請說明來自西安泰富西瑪電機(西安西瑪電機集團股份有限公司)官方網站:http://www.ynxhgl.com/zixun/weixiubaoyang114.html
以上內容由西安泰富西瑪電機(西安西瑪電機集團股份有限公司)網絡編輯部收集整理發布,僅為傳播更多電機行業相關資訊及電機相關知識,僅供網友、用戶、及廣大經銷商參考之用,不代表西安泰富西瑪電機同意或默認以上內容的正確性和有效性。讀者根據本文內容所進行的任何商業行為,西安泰富西瑪電機不承擔任何連帶責任。如果以上內容不實或侵犯了您的知識產權,請及時與我們聯系,西安泰富西瑪電機網絡部將及時予以修正或刪除相關信息。
- 上一篇: 電機受潮后如何處理?
- 下一篇: 高壓電機軸磨損維修的詳細流程
他們還瀏覽了...
- 2022-6-19高壓電機軸磨損維修的詳細流程
- 2022-6-4三相異步電動機安裝步驟以及西瑪電機的故障檢查方法
- 2022-5-29西瑪電機接線中最常見的幾種錯誤
- 2022-5-8西安西瑪電機頻率和速度之間的數學關系
- 2022-5-8三相異步電動機的正確接線方法及故障分析
- 2018-3-7電機受潮后如何處理?
- 2018-3-4電動機皮帶輪或聯軸器怎么拆裝?
- 2018-3-2電機該如何檢查接線?
- 2018-3-1三相異步電動機繞組接錯處理方法。
- 2018-2-27為什么高壓電機維修時要觀察溫度的變化。
行業資訊
電機風罩的工作原理及其用途。
高壓電機軸磨損維修的詳細流程
三相異步電動機安裝步驟以及西瑪電機的故障檢查
西瑪電機接線中最常見的幾種錯誤
綠色發展可以幫助電機廠家解決利潤問題
高效節能電機過熱原因分析
需要更換高效節能的電機的必要性分析!
西安西瑪電機頻率和速度之間的數學關系
高壓電機軸磨損維修的詳細流程
三相異步電動機安裝步驟以及西瑪電機的故障檢查
西瑪電機接線中最常見的幾種錯誤
綠色發展可以幫助電機廠家解決利潤問題
高效節能電機過熱原因分析
需要更換高效節能的電機的必要性分析!
西安西瑪電機頻率和速度之間的數學關系
西安西瑪電機舉辦“迎國慶”員工趣味運動項目比
關于西安西瑪電機的工作制,大家了解一下。
西安西瑪電機工會慶祝3月8日的評選頒獎活動。
西安西瑪電機向在抗擊疫情前線的工作人員們致敬
西安西瑪電機職工安全生產知識宣傳教育工作全面
西安泰富西瑪電機亮相第27屆中國西部國際裝備
西安泰富西瑪電機將高效節能三相異步電動機作為
西安西瑪電機始終堅持誠信銷售的理念。
關于西安西瑪電機的工作制,大家了解一下。
西安西瑪電機工會慶祝3月8日的評選頒獎活動。
西安西瑪電機向在抗擊疫情前線的工作人員們致敬
西安西瑪電機職工安全生產知識宣傳教育工作全面
西安泰富西瑪電機亮相第27屆中國西部國際裝備
西安泰富西瑪電機將高效節能三相異步電動機作為
西安西瑪電機始終堅持誠信銷售的理念。
泰富西瑪電機
配套電柜
電機配件
YKK系列高壓三相異步電機西安泰富西瑪YKK系列(H355-1000)高壓三相異步電機可作驅動
Y2系列緊湊型高壓異步電機西安泰富西瑪?Y2系列(H355-560)6KV緊湊型高壓異步電機可
YE3系列高效節能電機西安泰富西瑪電機生產的YE3系列高效節能電機達到了國標二級能效標準,
Z4系列直流電機西安泰富西瑪Z4系列直流電動機比Z2、Z3系列具有更大的優越性,它不
Z2系列小型直流電機西安泰富西瑪Z2系列電機為一般工業用小型直流電機,其電動機適用于恒功
ZTP型鐵路機車動車用直流輔助西安泰富西瑪ZTP系列西瑪電機應能滿足鐵路機車動車用直流輔助電機通用



西安西瑪電機緊跟電機行業的發展趨勢,了解電機市場動態,制定出西瑪電機的發展規劃,穩步前行。
隨著國家節能減排的積極推行,新能源汽車產業快速增長及高效節能電機補貼政策的逐步落實,高效節能電機業將迎來爆發式的增長。
西瑪電機售后維修業務有:軸料加工件、鋼板切割、焊接件、高壓機殼、冷卻器、上下罩、高、低壓交直流電機;國內、外電機的修理、維護和試驗。
質量為本,用戶至上”是我公司一貫宗旨。“誠心、貼心、傾心、西瑪永遠用心”的“三心”服務理念。
西安泰富西瑪電機(西安西瑪電機集團股份有限公司)是國內九大的電機供應商之一,產品包括各種高低壓、交直流、高壓同步電機等。
















